铁岭市铁仪仪器仪表制造有限责任公司是生产制造各类料位计、液位计、锅炉水位计,炉膛火焰工业电视的专业生产厂家,产品通过ISO 9001国际认证。占地5000余平方米,生产面积1000余平方米。企业拥有精良.......

    铁岭市铁仪仪器仪表制造有限责任公司是生产制造各类料位计、液位计、锅炉水位计,炉膛火焰工业电视的专业生产厂家,产品通过ISO 9001国际认证。占地5000余平方米,生产面积1000余平方米。企业拥有精良.......
    铁岭市铁仪仪器仪表制造有限责任公司是生产制造各类料位计、液位计、锅炉水位计,炉膛火焰工业电视的专业生产厂家,产品通过ISO 9001国际认证。占地5000余平方米,生产面积1000余平方米。企业拥有精良.......

    铁岭市铁仪仪器仪表制造有限责任公司是生产制造各类料位计、液位计、锅炉水位计,炉膛火焰工业电视的专业生产厂家,产品通过ISO 9001国际认证。占地5000余平方米,生产面积1000余平方米。企业拥有精良.......
 
产品名称:

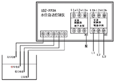
UDZ液位自动控制仪

概 述

1.1 UDZ液位自动控制仪用于对工业过程中水位或液位的一点或多点自动控制,安装方便,功能齐全,可靠耐用。
    1.2 适用范围广泛,除一般应用场合外,如:工业污水、酸碱等腐蚀性场合;泥沙、泥浆等粘稠场合;锅炉汽包、水箱水位等高温或带压场合; 深井、高楼等长距离测量场合;水泵、电磁阀等给排水自动控制场合,均可放心应用。
    1.3 本系列仪表可直接控制水泵,电磁阀等,且具有自动控制与手动控制选择功能。
    1.4 多种控制逻辑可供选择,同时也可按用户要求的控制逻辑设计制作。
    1.5 可控制1台或多台水泵或电磁阀



进入新版网站

版权所有:铁岭市铁仪仪器仪表制造有限责任公司      厂 址:辽宁省铁岭市银州区牛岗子工业园
信 箱: 辽宁省铁岭市邮政局大厦支局2号信箱    邮政编码:112000   电子邮箱:yb@tlyqyb.com
电 话:+86 024-72602388   024-86238004      传 真: +86 024-72602366   024-86243931